Zum Hauptinhalt springen
Aufgrund einer SAP Umstellung bei Festool, können wir vors. bis 02.01.2026 dort keine nachbeschaffung tätigen.
Zur Startseite gehen
WARENKORB
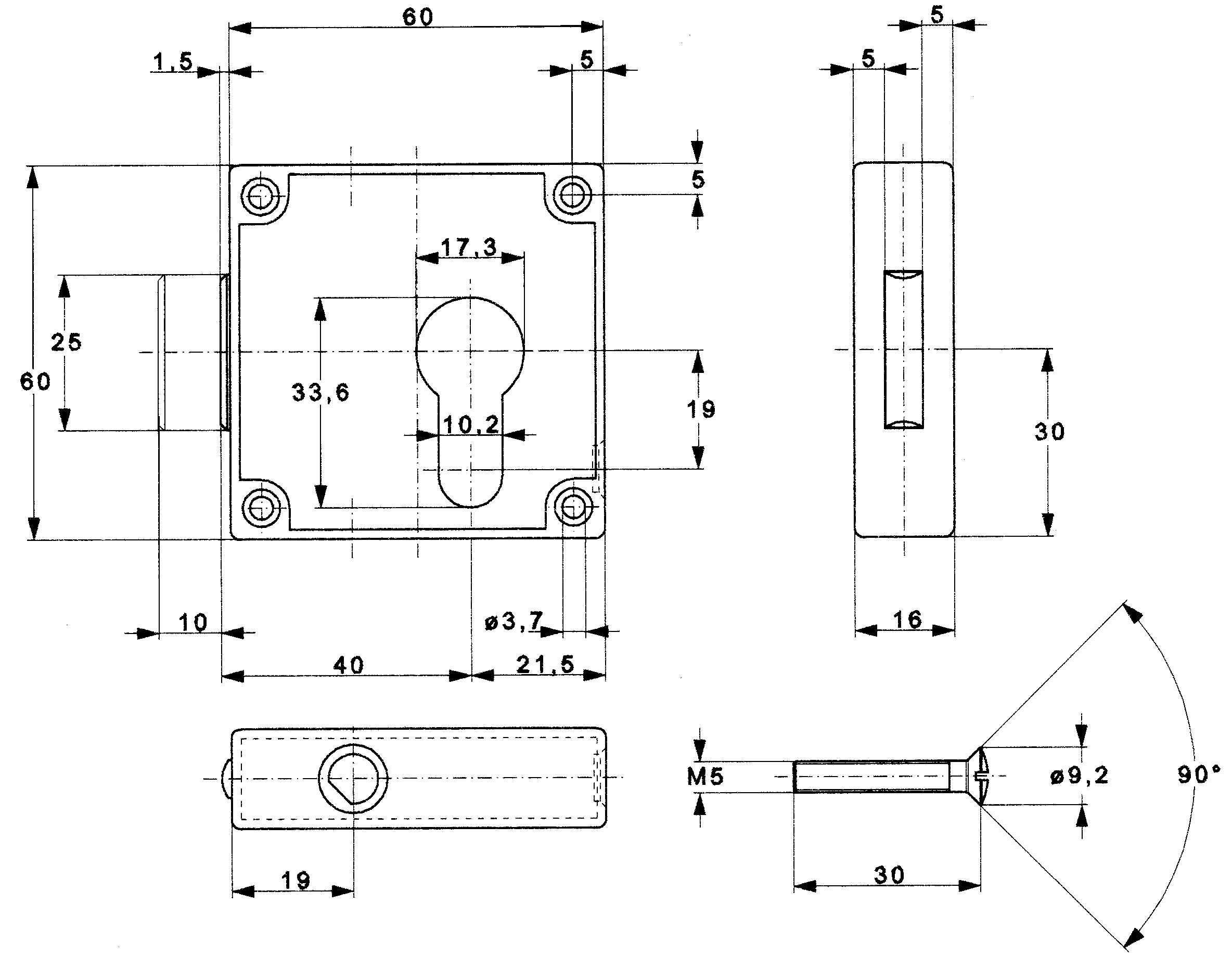
Kasten Metall vernickelt, passend für Profil-Halbzylinder, bei herausgeschlossenem Riegel umstellbar von rechts auf links durch Eindrücken und gleichzeitigem Drehen des unteren Stangenlagers (bei linksgerichteten Schlössern auch Profil-Halbzylinder umstellen!). Zylinder-Befestigung durch Schraube von der Stirnseite her, für Profilstangen Ø 8 mmLieferumfang:1 x Winkelblech, Stahl vernickelt2 x Schließhaken, Metall vernickelt, oben / unten2 x Hakenlager, Metall vernickelt2 x Schließbolzen auf Platte, Metall vernickelt1 x Zylinder-Befestigungsschraube M 5 x 25Profilstangen Ø 8 mm: (0087)

0 von 0 Bewertungen

Durchschnittliche Bewertung von 0 von 5 Sternen

Bewerten Sie dieses Produkt!

Teilen Sie Ihre Erfahrungen mit anderen Kunden.


Eigenschaften

Medien